Ремонт своими руками
В зависимости от проблемы ремонт может различаться. Какие-то неисправности можно починить своими руками, с другими же справятся только профессионалы. Способы самостоятельной починки:
- Если вода на линии есть, но напор очень слабый, можно просто продолжить стирку, однако вне зависимости от программы процесс стирки будет длиться несколько дольше. Если такой вариант не устраивает, то необходимо позвонить коммунальщикам и узнать, почему сбавлен набор, сроки восстановления неполадок на линии.
- Подачу воды в стиральную машину можно перекрывать специальным краном. Если он открыт не полностью, вода будет набираться, однако очень медленно. Исправить это легко. Если кран открыт полностью, но ясно, что причина именно в нем, возможна поломка самого вентиля, тогда его придется заменить.
- Иногда вода плохо набирается в стиральную машину, потому что произошел перегиб заливного шланга. Необходимо проверить наличие этой проблемы и выпрямить шланг.
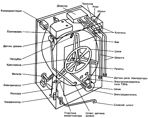
- На входе в стиральную машину, где установлен клапан, стоит специальный фильтр. Временами он засоряется, и тогда жидкость в стиральную машину поступает слабо. Если его почистить – проблема исчезнет.
Ремонт машинки своими руками
В том случае, когда поломан входной клапан или электронный модуль, проблему лучше не исправлять самостоятельно, а обратиться к специалистам. Устранение проблемы своими руками может привести к полной неисправности.
Причин, почему слабо набирается жидкость в стиральную машину Самсунг, Индезит или LG, может быть много. По этой причине необходимо проверять сразу несколько факторов – напор воды по линии, не перекрыт ли вентиль, плотно ли закрыт люк и т.д. Исходя из причины, подбирать метод устранения проблемы.
Настал черед стирки, вы загружаете стиральную машину грязным бельем, включаете, и тут вас ждет разочарование: стиральная машина не набирает воду. Или набирает, но напор настолько мал, что процесс стирки может сильно растянуться. Первое, что нужно сделать в этой ситуации, отставить панику и попытаться спокойно разобраться в причине. Может оказаться, что она банальна, и вы ее устраните самостоятельно. В других же случаях понадобится вызов мастера, который отремонтирует вашу помощницу.
Каковы же основные факторы, почему стиральная машина не заливает воду, и способы их устранения?
Выход из положения
Если у вас сниженное давление воды, это не значит, что вы не можете пользоваться техникой. Для вас есть два варианта:
- Установить повышающий давление насос для закачки воды в стиральную машину.
- Если водопровод вовсе отсутствует – купить стиралку, не требующую подключения к центральному водоснабжению.
Рассмотрим подробнее оба варианта. Установив насос, вы повысите давление до нужной отметки, вас больше не будут беспокоить проблемы с напором.
Насос повышения давления WILO PB-088 EA
Поверхностный насос для машинки-автомат подключается к сети 220-230 Вольт. Позволяет получить максимальный напор в 9 метров. Устанавливаться может горизонтально и вертикально. При наборе воды более двух литров в минуту, прибор автоматически включается. Если нужны показатели поменьше, выберите их вручную. Рабочая мощность 70 Вт, выдерживает жидкость температурой от 2°С до 60°С.
Насос GRUNDFOS UPA 15-90
Чугунный насос имеет так называемый «мокрый» ротор. Есть переключатель, регулирующий режимы. Оснащен датчиком протока, поэтому не будет работать вхолостую. При производительности 1,8 м³/ч насос выдает напор до 8 метров. Создает давление 6 Бар, работает с температурой до +60°С.
Джилекс Джамбо 60/35 П-24
Насосная станция для стиральной машины-автомат. Поможет подать воду из скважины, колодца, открытого водоема. Также способствует повышению давления в магистральных сетях. Прибор с производительностью 3,6 м³/ч и напором до 35 метров. Реле давления позволяет переключаться между автоматическим и ручным режимом. Встроенный эжектор допускает глубину всасывания 9 метров.
Насосная станция Marina Cam 80/22
Обеспечивает подачу воды с напором в 40 м. Способствует повышению давления в системе водоснабжения до 6 Бар. При мощности 0,8 кВт его производительность составляет 60 литров в минуту. Вал и корпус насоса изготовлены из нержавеющей стали. Работает с температурой +35°С.
Вы можете выбрать прибор на свой вкус, учитывая характеристики. Как подключить насос повышения давления к водопроводу, показано на картинке:
Современные стиральные машины
Предыдущее поколение стиральных машин было оснащено механическими таймерами. Они обеспечивали прекращение работы машинки при недостаточном давлении в водопроводе. Аппарат бездействовал до тех пор, пока не возобновлялось определенное минимальное давление воды.
Современные модели стиральных аппаратов отличаются новейшим программным обеспечением, которое обеспечивает на порядок более надежную и эффективную работу. По мнению разработчиков, процесс стирки необходимо оптимизировать путем сокращения времени набора воды и процедуры полоскания. Однако, в погоне за производительностью, они мало учитывают проблемы, связанные с недостатком напора в водопроводной трубе. Программа рассчитывается на определенный уровень давления. Если он ниже эксплуатационного – случаются поломки стиральных машин.
ПО машинки ежесекундно контролирует напор и уровень воды. Если давление будет ниже заявленного в эксплуатационном руководстве, включается таймер и останавливает работу аппарата. На дисплее высвечивается код неисправности. Такие паузы обеспечивают стиральной машине защиту от протеканий или перегрева.
Основные неисправности сливной помпы
В процессе стирки помпа стиральной машины несколько раз включается в работу, в зависимости от выбранного режима
Поэтому большая нагрузка на детали этого важного узла является основной причиной выхода из строя насоса
Типичными неисправностями сливного насоса считаются:
- частое включение тепловой защиты обмотки электродвигателя;
- засорение крыльчатки, которое приводит к ее заклиниванию;
- поломка лопастей крыльчатки посторонними предметами;
- преждевременный износ втулок, расположенных на валу мотора;
- крыльчатка насоса прокручивается или спадает с вала электрического двигателя;
- короткое замыкание или обрыв витков обмотки мотора.
Все эти поломки приводят к ремонту помпы стиральной машины. Обычно ремонтные работы можно осуществить после возникновения мелких неисправностей, таких как засорение крыльчатки, а также небольшое повреждение лопастей. Остальные поломки приводят к полной замене помпы стиральной машины.
Способы определения мощности
Определить величину не составит труда с помощью встроенного или переносного манометра. Первый вариант подразумевает монтаж измерительного прибора заблаговременно (в момент строительства или проведения ремонтных работ) в точке подведения домашнего водопровода в жилище.
Второй предполагает изготовление измерителя самостоятельно, путем соединения резьбового удлинителя с переходником. Главное — позаботиться, чтобы все было полностью герметично. После подготовки от душевого шланга отсоединяют насадку-лейку и подключают к нему измеряющее устройство. Затем активируют подачу жидкости и фиксируют показания.
Во время осуществления замеров не допускается использование любой бытовой техники, подключенной к сети водоснабжения.
Оборудование для увеличения напора
Рынок предлагает на выбор различные модели оборудования, повышающие давление воды в трубопроводе. Как правило, напор можно повысить до 6 Бар. Все устройства защищены от перегрева. Вот самые популярные:
- Насосная установка Marina 80/22. Эта станция способна увеличить давление в системе до 6 Бар. Пропускная способность – 60 л. за одну минуту. Напор – до 40 м. Корпус и вал установки – нержавеющая сталь. Допускается эксплуатация при температуре +35°С.
- Насос Джилекс Джамбо 60/35. Эта станция по своему функционалу способна работать на несколько направлений. Например, обеспечивать напор воды одновременно для стиральной машинки и посудомоечной. Возможна подача воды из открытого водоема или скважины. Напор – до 35 м. Потребляемая мощность – 600 Вт.
- Чугунный насос Grundfos 15-90. Устройство имеет реле протока воды, поэтому исключается работа вхолостую. Повышает давление до 6 Бар. Напор – до 8 м. Температурный режим – до +60°С. Бесшумный цикл работы.
- Поверхностный насос Wilo 088EA. Недорогой аппарат с достойными характеристиками. Можно повысить давление до 3,5 Бар. Мощность – 70 Вт. Напор – до 9 м. Производительность – 2,4 кубометра за час. Возможна эксплуатация при температуре до +60°С.
Поверхностный насос Wilo 088EA
Демонтаж помпы через лицевую панель
Замена помпы стиральной машины «Бош», «Сименс» и некоторых других марок производится после снятия передней панели агрегата, так как днище таких машин закрыто.
Демонтаж сливного насоса производится следующим образом:
- В первую очередь необходимо снять верхнюю крышку агрегата. Для этого нужно открутить винты крепления сзади машины, а затем толкнуть крышку от себя со стороны лицевой панели.
- Следующим шагом будет демонтаж панели управления. Для этой цели снимается лоток для стирального порошка и откручиваются винты крепления панели. После удаления винтов панель аккуратно укладывают на верхнюю часть агрегата, чтобы не повредить соединительные провода.
- Под пластиковой защитной панелью находится сливной клапан, который нужно снять аккуратно над емкостью, чтобы слить остатки воды.
- Затем необходимо снять уплотнительную манжету с загрузочного люка.
- Таким образом, демонтировав лицевую панель, получим доступ к помпе.
- Выкрутив крепежные винты насоса и передней стенки, можно приступать к демонтажу помпы.
- Ослабив крепление хомутов на патрубках насоса, снимаем соединительные шланги.
После выполнения всех этих операций производим осмотр помпы и крыльчатки. В случае мелких поломок очищаем детали насоса от загрязнения. Установка нового сливного насоса производится в обратном порядке.
В стиральных машинах с вертикальной загрузкой демонтаж помпы производится через заднюю стенку.
Как выбрать?
Простому потребителю довольно сложно разобраться в предлагаемых водяных помпах. Продавцам и консультантам доверять полностью не стоит, они могут навязать вам дорогостоящую насосную станцию, в которой вы не нуждаетесь. Как купить подходящее оборудование:
- Подбирайте оборудование под конкретные условия.
- Отдавайте предпочтение известным производителям. Дешевые помпы могут сломаться через месяц-другой.
- Интересуйтесь уровнем шума, иначе со временем можете столкнуться с неудобствами от громко работающего аппарата.
Классификация насосов по способу управления:
- Ручные. Включение-выключение ручное.
- Автоматическое. Срабатывание на основе показаний датчика.
Как подключить насос повышения давления к водопроводу?
Нагнетательное устройство монтируют на трубе перед точками водозабора. Если напор будет слабый, помпа включится и повысит его. Порядок подключения:
- Трубу, к которой предстоит подключить нагнетающее устройство, разметьте согласно его длине, учтите также длину переходников.
- Далее перекрывают водоснабжение и обрезают трубу согласно разметке.
- С обеих сторон трубы делают внешнюю резьбу.
- Накручивают на трубы переходники.
- Вкручивают в переходники фитинги — они идут в комплекте с насосом.
Во время монтажа сверяйтесь с инструкцией, также обратите внимание на стрелки, изображенные на корпусе — указатели направления потока
От электрощита подводят кабель. Неподалеку от места дислокации оборудования желательно сделать розетку
Насос лучше подключать через УЗО (устройство защитного отключения).
Тестируют оборудование, обращая внимание на стыки — должна быть абсолютная герметичность. Чтобы усилить стыки, на резьбу наматывают паклю или ФУМ-ленту.
Виды стиральных агрегатов
Сегодня для стирки в основном используются автоматические машины. Ручные и полуавтоматические модели уже не так распространены в наших домах. Машины-автоматы выполняют полный цикл стирки, начиная от замачивания и заканчивая полосканием и сушкой.
Подключение стиральной машины к водопроводу
Интересной модификацией автоматических машин являются пузырьковые модели. Они отлично удаляют трудновыводимые пятна с минимальным воздействием на материал. Однако стоимость подобной техники не позволяет пока приобретать ее всем желающим.
Стиральные машины воздушно-пузырьковые
Загрузка в стиральный аппарат может производиться как фронтально, так и вертикально. В первом случае дверца расположена на передней панели, такую технику можно встраивать в кухонные гарнитуры. Верхнюю поверхность агрегата есть возможность использовать для размещения нужных в хозяйстве предметов. Однако для загрузки белья и его извлечения приходится наклоняться, что не всегда бывает удобно.
Модель с фронтальной загрузкой
В вертикальных моделях люк находится сверху. Благодаря закреплению бака на двух осях при стирке меньше наблюдается вибрация. Во время цикла можно производить дозагрузку. Но цена таких машин превосходит стоимость фронтальных аналогов. К тому же их нельзя встроить.
Модель с вертикальной загрузкой
Таблица. Сравнение машин вертикального и фронтального типов.
| Возможности | Вертикальный агрегат | Фронтальная машина |
| Выбор моделей | — | + |
| Стоимость | — | + |
| Удобство для потребителя | + | — |
| Возможность встраивания в кухонные модули | — | + |
| Компактность | Небольшая ширина машин | Техника более широкая, но можно подобрать и компактные модели |
Эксплуатация техники обоих видов практически одинакова.
Стиральная машина набирает мало воды при стирке
Один из случаев, когда использование стиральной машины невозможно. Причины неполадок этого вида связаны со следующими неисправностями:
- выход прессостата из строя;
- оплошности, допущенные при подключении прибора к коммуникациям;
- повышенное давление в канализации, провоцирующее выкачку воды из машинки (произвольный слив).
В таких условиях запуски стирок создают дополнительные нагрузки на ТЭН, помпу, насос и другие компоненты, отвечающие за работоспособность агрегата.
Сломался прессостат — датчик уровня воды
Неисправный прессостат передает управляющей плате ложную информацию об имеющихся в баке объемах воды. Чтобы подтвердить эту версию недобора жидкости, необходимо протестировать датчик. Процесс этот довольно сложный:
- вскрытие машинки;
- демонтаж прессостата с полным отсоединением от шланга;
- продувание полости детали и прослушка на предмет фиксации характерных щелчков, свидетельствующих об исправности компонента;
- проверка целостности трубки датчика;
- очистка узла от загрязнений.
Прессостат — деталь с невысокой стоимостью, в случае поломки его покупка не станет обременительной для бюджета владельца. А вот замена требует серьезных расходов сил и времени.
В каких случаях требуется подключать машинку без водопровода
Современное оборудование позволяет даже на даче создать нормальные условия для качественной работы любой автоматической стиральной машины. Для этого надо вспомнить принцип действия подобных устройств.
Как работает стиральная машина?
Стиральная машина-автомат (СМА) является интеллектуальным бытовым прибором, способным выполнять свои обязанности при наличии всего трех подключений:
Всеми действиями машины руководит блок управления, отдающий команды двигателю, вращающему барабан, помпе, откачивающей жидкость, клапанам и датчикам, регулирующим процесс заполнения бака жидкостью. После загрузки белья и засыпки порошка в специальную ванночку открывается клапан на линии подачи воды. Она смывает порошок и заполняет бак до определенного уровня. За ее нагрев отвечает ТЭН.
Процессы замачивания, стирки и отжима происходят при вращении барабана с необходимой для этого скоростью. В процессе работы вода несколько раз откачивается из машины, унося с собой все посторонние включения. В результате хозяйка извлекает чуть влажное чистое белье, которое надо только высушить и погладить.
Для информации! Некоторые модели способны выдавать вещи без смятия в подсушенном состоянии.
Оказывается, проблем с названными подключениями в сельской местности почти нет. Электрификация присутствует повсеместно. На время скачков напряжения можно воспользоваться бензиновым или дизельным генератором тока. Для слива грязных растворов существуют септики или выгребные ямы, а для подачи воды есть масса технических устройств, создающих необходимое давление. Надо лишь знать, как подключить свою стиральную машину без водопровода.
Преимущества использования СМА без водопровода
Эксплуатация автоматических стиральных машин в поселках, не имеющих централизованного водоснабжения, способна дать их владельцам ощутимую выгоду: Если вы цените удобство, то можете смело везти в загородный дом новую или бывшую в употреблении технику, точно зная, как без водопровода подключить современную стиральную машину автомат.
Плохой напор — что делать?
Проблемы с качеством водоснабжения обычно испытывают жители небольших городков и сел. Если давление воды на выходе из водопроводной трубы ниже минимума — а он для каждой модели свой, то стиркиа не начнется. У проблемы есть два решения:
- Купить СМА с резервуаром для воды — она работает без подключения к водопроводу.
- Установить оборудование для нагнетания напора. Нужна миниатюрная насосная станция. Для реализации плана необходим повышающий насос для стиральной машины. Стоимость нагнетающих аппаратов — в пределах 3 000–5 000 рублей.
Раньше в СМА была более лояльная система — когда вода заполняла резервуар, таймер запускал процесс. Система реагировала лишь на получение нужного количества жидкости. Сегодня стиралки стали сложнее. Европейцы любят стандарты качества, вот и к поступающим ресурсам у них особые требования. Если напор не соответствует минимальному порогу, техника не работает.
Замена клапана
Что касается впускного клапана, то ремонт его, к сожалению, сложен. Самый простой вариант — купить новую деталь и установить. Монтаж можно произвести своими руками. Главное, выбирайте деталь строго по серийному номеру соответствующей модели, иначе выбросите деньги на ветер, купив неподходящий элемент. Когда все куплено, можно приступать к замене:
- отключите агрегат от коммуникаций;
- слейте воду с шланга и уберите его;
- демонтируйте верхнюю панель стиралки.
Найдите клапан, расположенный в задней части стиралки, там, где к ней присоединяется наливной шланг.
- сфотографируйте проводку и отсоедините ее;
- ослабьте центральный болт и винты сверху, извлеките старую деталь и замените на новую.
После замены клапана проведите монтаж, выполняя действия в обратном порядке. После монтажа запустите тестовую стирку: если ваши действия не принесли результата, придется обратиться к профессионалам.
Интересное:
- Ошибки посудомоечных машин Бош
- Какую стиральную машину Бош лучше купить
- Стиральная машина гудит, но воду не набирает
- Ошибка E10 в стиральной машине Zanussi
- Не поступает вода в посудомоечную машину
- Ошибки посудомоечных машин Миле
Комментарии читателей
Поделитесь своим мнением — оставьте комментарий
Почему стиральная машина плохо набирает воду?
Есть еще ситуация, когда стиральная машинка набирает воду, но медленно и в недостаточном количестве. Почему это происходит и что делать в такой ситуации? Причин для этого может быть много, и они те же, из-за которых она не набирает ничего вообще. Вот их краткий перечень:
- Слабый напор в кране. Если это действительно так, то и машинка будет плохо набирать. Тогда просто дождитесь, когда ситуация изменится, и вы сможете постирать в обычном режиме. Или же придется смириться с тем, что процесс стирки затянется на продолжительное время.
- Вентиль открыт не полностью. Проверьте его, и при необходимости поправьте.
- Забита сетка фильтра. Эта причина и способ ее устранения были описаны выше. Но даже если машинка набирает слабым напором, лучше как можно быстрее устранить эту неисправность. В противном случае фильтр забьется полностью, и стиральная машина вообще перестанет работать.
- Проблемы со шлангом – он может быть перебит, придавлен тяжелым предметом или засорен.
- Неисправность впускного клапана. Возможно, его придется заменить.
Если вы обнаружили, что ваша стиральная машинка не набирает или плохо заливает воду, придерживайтесь такого алгоритма действий.
В первую очередь проверьте наличие ее в кране и впускной вентиль. Если все в порядке, отсоедините шланг, прочистите его и сетку фильтра. Установите все на место, и попробуйте запустить цикл стирки снова.
Если вода по-прежнему не набирается, проверьте УБЛ, просто откройте и закройте дверцу люка. Иногда из-за неплотно закрытой дверцы не может запуститься цикл.
Затем можно проверить прессостат и впускной клапан. Но для этого их придется извлечь из стиральной машины. Если и здесь все хорошо, возможно, проблема в модуле управления, или программаторе. Он находится за передней крышкой стиральной машинки, или под ее верхней частью.
Если вы не уверены в своих силах, то не приступайте к ремонту. Без определенных знаний можно только усугубить ситуацию. При сложных поломках лучше сразу обратиться к профессионалу. Он определит точную причину поломки и быстро ее устранит.
Что делать, если стиральная машина медленно набирает воду? Причины поломки будут разными от банальных до сложных, требующих ремонт. Сервисный центр «Хелпер-С» поможет разобраться в причине и устранить проблему со стиральной машинкой, даст консультацию для неповторения ошибок и ответит на интересующие вопросы. При необходимости отправим к вам мастера по ремонту стиральных машин в Москве и Подмосковью, который приедет в нужное вам время для восстановлении техники. Будет полезно знать: “Коды ошибок”.
Цена ремонта от 500 рублей (зависит от марки, модели и года выпуска стиральной машины)
ежедневно с 8:00 до 22:00.
Диагностика + Выезд — Бесплатно. * (см. раздел “Цены”). При отказе от обслуживания — всего 200 рублей.
Варианты подключения
Как упоминалось ранее, мы последовательно расскажем о наиболее распространенных способах, при которых стиралка автомат без водопровода точно будет работать. И поведаем о способе, который на наш взгляд является оптимальным. Выбирать же какой из них лучше мы предоставим вам.
Как можно обустроить систему
- Самый простой выход, это заливать воду непосредственно в бункер для порошка своими руками. При этом стиралка без водопровода вполне обойдется, особенно ее механический вариант. По большому счету, технике без разницы, откуда заливается вода, главное чтобы бак был наполнен и датчик уровня сработал.
- Проблема в том, что после каждого цикла агрегат будет выключаться и ждать, пока вы прибежите с ведром и через лейку зальете в него воду. Да и бегать с ведром, не самое легкое занятие, это получается уже полуавтомат.
Стандартный заливочный шланг.
Можно прибегнуть к похожему, но несколько усовершенствованному способу. Вспомнить принцип сообщающихся сосудов и поставить бак на возвышенность. Но для того чтобы создать давление достаточное для срабатывания автоматики, бак нужно будет поднять на высоту порядка 10 м. И опять же таскать туда воду своими руками.
Схема автомата.
- Все вопросы в стиле как подключить стиральную машину если нет водопровода исчезают, если у вас есть насосная станция. Даже самый простой агрегат с малой мощностью, вполне способен обеспечить давление необходимое для работы машинки. Здесь все хорошо, кроме одного, цена простенькой насосной станции стартует от 5 000 рублей, плюс фильтры и арматура к ней.
- Если через станцию подключается стиральная машина в деревне без водопровода, то покупать насосную станцию смысл есть. Летом она пригодится для полива, а зимой будет подавать питьевую воду в дом. Для сезонного же использования вариант достаточно накладный.
- Но существует, на наш взгляд, самый лучший и при этом малобюджетный вариант. Смысл его заключается в установке дополнительного насоса, который будет имитировать работу насосной станции и заливать воду в бак автоматически. Инструкция по самостоятельной сборке будет раскрыта в следующей главе.
Насосная станция.
Монтаж промежуточного насоса
Перед тем как установить стиральную машину автомат без водопровода, нужно будет позаботиться о двух основных вещах. Первое, что вам понадобиться это емкость для воды. По мнению бывалых дачников, самым лучшим вариантом будет поставить стандартную двухсотлитровую бочку рядом с машинкой. Конечно, экономные агрегаты могут обойтись и 100 литрами, но запас лишним здесь не будет.
Вторым устройством, без которого никак не обойтись будет небольшой водяной насос. Если вы не являетесь большим специалистом в данном оборудовании, мы советуем обратиться в магазин торгующий запасными частями к машинкам автомат и приобрести откачивающий насос. Лучше брать насос того производителя, чья машинка у вас стоит.
Бункер для порошка.
Далее, чтобы не перегружать насос, мы рекомендуем в нижнюю часть бочки врезать шаровый кран. Именно к нему и будет подключаться заборное отверстие агрегата. Патрубок, из которого под давлением будет нагнетаться вода, подключается к заливному шлангу.
Вариант погружного аквариумного насоса.
Далее начинается самое важное. Нам нужно подключить насос к сети и при этом сделать это так, чтобы он включался тогда когда это необходимо
Если вы помните, вначале повествования мы упоминали о том, что в любой машинке есть электромагнитный клапан, открывающийся в момент заполнения бака
Если вы помните, вначале повествования мы упоминали о том, что в любой машинке есть электромагнитный клапан, открывающийся в момент заполнения бака.
Этот клапан работает от сети в 220V и находится в открытом положении только тогда, когда на него подано рабочее напряжение. Для нас это идеальный вариант. Необходимо снять верхнюю крышку на машинке и параллельно подключить насос к электромагнитному клапану.
Параллельное подключение клемм клапана.
Сделать это можно непосредственно на клеммах клапана или проследить, куда уходит провод, как правило, это в нижней части корпуса и запаралелить клапан и насос на клеммнике.
В результате у нас получится стиральная машина не требующая подключения к водопроводу. В тот момент, когда нужно заливать бак, автоматика дает команду подать напряжение на открытие клапана. Но к нему параллельно мы подсоединили насос, в результате они включаются одновременно и вода поступает в бак. Когда бак наполнен, система оба агрегата отключает. (См. также статью Насосы для водопровода из колодца: особенности.)
На видео в этой статье показан похожий вариант установки промежуточного насоса.
Как устранить возникшую неисправность
Если стиральная машина медленно набирает воду, то начать проверку стоит с входного фильтра. Для начала следует извлечь его и осмотреть на предмет наличия ржавчины или налета. После этого достаточно просто аккуратно промыть фильтр под струей из раковины, удалив все имеющиеся засоры. Если проблемы была именно в нем, то после его установки обратно вода будет набираться с нормальной скоростью.
Следующим пунктом проверки станут клапана. Здесь проблемы могут быть куда разнообразнее, и для их проверки понадобится время. Зачастую причиной медленного набора воды становится сетка на клапанах, которая засоряется с течением времени, или перегоревшая обмотка. В случае если возник засор, то его достаточно просто удалить, прочистив сетку. Избежать появления такой проблемы поможет регулярная ежегодная очистка сеток во всех клапанах. А перегоревшую обмотку можно заменить такой же с другого клапана, так как они чаще всего взаимозаменяемы.
Еще одной причиной, по которой стиральная машина медленно набирает воду, может стать выход из строя электроники. Зачастую ломается датчик уровня воды и программатор. Именно они отвечают за правильное выполнение заложенной пользователем программы. Самостоятельно проверить их работоспособность достаточно трудно, так как они не только расположены достаточно неудобно для демонтажа, но и их осмотр требует специальных знаний
Попытки самостоятельно устранить такую неисправность могут стать причиной новых поломок по неосторожности. В случае, если имеются подозрения на поломку электроники в стиральной машине, куда надежнее будет обратиться за помощью к специалистам
Что делать, если он не соответствует нужным показателям?
В деревнях, других мелких населенных пунктах или частном секторе уровень напора часто не превышает 0,1 Бар. Этого недостаточно для подключения к водопроводной сети бытовых электроприборах, ни один из не сможет работать в таких условиях. Но выход можно найти из любой ситуации.
Покупка насоса
Популярный вариант решения проблемы – приобретение насоса, который повышает давление воды. Стоимость этого оборудования не очень высокая, от 2000 руб. Примерно столько же придется отдать за установку.
Стиралка без подключения к центральному водоснабжению
К корпусу таких устройств присоединяется специальный резервуар для H2O. Объемы емкости бывают разные. В этот сосуд вода наливается механическим способом, после чего машинка стирает также, как обычная стиралка-автомат.
У таких моделей имеется специальный нагнетательный насос, который задает мощность для качественной стирки изделий. Недостатком является только то, что в резервуаре узкое горлышко, через которое его неудобно очищать.
Модельный ряд таких устройств не слишком широк, а стоимость их выше, чем у стандартных стиральных машинок.
Причина в подшипниках
Загрязнение — это не единственная причина неправильной работы устройства. При выходе из строя подшипников, во время вращения вала возникает биение. Из-за биения крыльчатка начинает тереть о кожух улитки. Это вызывает шум и непродуктивную работу помпы, вплоть до полной остановки.
Если в данный момент нет возможности купить новую деталь, а стирка не может подождать, то временно продлить жизнь помпе можно, укоротив лопасти на 2 миллиметра острым ножом. Но не переусердствуйте: если срежете больше, упадет производительность системы.
После очистки, замены подшипников или сальников, ремонт моторчика можно считать законченным. Установите корпус с лопастями в катушку и зафиксируйте защелками. При соблюдении правил безопасности, подключите к двум контактам напряжение 220 V, и проверьте работу устройства. Убедившись в нормальной работе устройства, можно подсоединять улитку, и возвращать всю конструкцию в корпус СМА.
Как вы могли убедиться, ремонт помпы стиральной машины своими руками — не такая уж невыполнимая задача и под силу каждому, внимательно прочитавшему данные рекомендации.
Советы и рекомендации экспертов для тех, кто сам решил отремонтировать помпу
Новичкам, производящим разборку и починку деталей стиральной машины впервые, нужно придерживаться некоторых правил, которые упростят ремонт:
Машинка, плохо сливающая воду после стирки, издающая посторонние звуки во время откачки воды, требует немедленного осмотра для устранения неполадки. Для ремонта не всегда требуется вызывать специалиста, чаще диагностику и замену вышедших из строя деталей проводят самостоятельно. Достаточно знать, в какой части машины установлен насос, и соблюдать правила замены элементов, описанные в статье.
Разбирая бытовую технику самостоятельно, не забывают соблюдать технику безопасности. А на нашем сайте вы найдете подробные инструкции по самостоятельному ремонту и монтажу бака, слива, барабана, тэна.
























